1

Netherlands European Overhead Crane Kits Supply Project

Project Overview

A local crane equipment manufacturer in Germany required 3 sets of European Single-Girder Overhead Crane Kits to enable independent manufacturing of 5-ton capacity cranes. The customer had the capability to manufacture main girders locally and therefore required only key crane components and complete technical documentation.

Client Information

  • Location: Germany
  • Customer Type: Local Crane Equipment Manufacturer
  • Industry: Mechanical Equipment Manufacturing
  • Quantity: 3 sets
  • Application: Independent manufacturing of 5-ton European Single-Girder Overhead Crane
European Overhead Crane

Project Challenges

Independent Manufacturing Requirement

The customer could manufacture main girders locally but lacked access to European-style crane core components and precise installation drawings.

Component Quality Requirements

Strict requirements for electrical components, accepting only international first-tier brands:

  • Schneider electrical components (Delixi explicitly not acceptable)
  • Omron brand remote controls with English or arrow indicators only
  • International first-tier brands such as ABB or Siemens acceptable

Technical Documentation Needs

First experience with European-style crane systems, lacking experience in electrical connections, end carriage adjustments, and installation procedures.

Overhead Crane Design Drawing

Solution Provided

Supplied 3 complete European Single-Girder Overhead Crane Kits with comprehensive technical support and premium components.

Key Components:

  • KH3104 European wire rope hoist system with 5-ton capacity
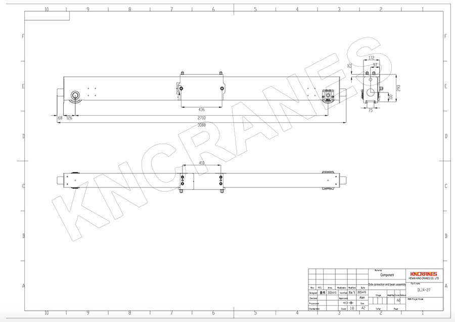
  • DH14-27 end carriages for precise alignment
  • Complete electrical systems with Schneider components and Omron remote controls
  • 60-meter conductor rail system (HFP56-4-15/80 model)
  • All necessary brackets, fixtures, and connection accessories

Technical Support:

  • Detailed technical drawings for self-manufactured main girders
  • Comprehensive installation documentation and guidelines
  • Remote video guidance throughout installation process
  • Real-time technical consultation for troubleshooting
European Electric Wire Rope Hoist

Technical Specifications

Crane Main System

SpecificationValue
ConfigurationSingle trolley with full safety devices
Rated Lifting Capacity5t
Working ClassM5
Lifting Speed0.8/5m/min (Dual Speed)
Gantry Travel Speed0-32m/min (Inverter Control)
Trolley Travel Speed0-20m/min (Inverter Control)
Power Supply400V 50Hz 3-phase, Control: 48V
Remote ControlOmron
Electrical ComponentsSchneider

End Carriage

SpecificationValue
ModelDH14-27

Conductor Rail System

SpecificationValue
ModelHFP56-4-15/80
Quantity60.00 meters

Delivery and Installation

1: Requirements Analysis

  • Technical requirements assessment and specification finalization
  • Component brand requirements confirmed (Schneider, Omron)
  • Workshop dimensions and girder design requirements gathered

2: Kit Preparation

  • 3 complete crane kits assembled with premium components
  • Schneider electrical components and Omron remote controls verified
  • 60-meter conductor rail system prepared

3: Technical Documentation Delivery

  • Precise technical drawings for main beam manufacturing provided
  • Installation dimensions and specifications delivered
  • Load testing requirements and procedures documented

4: Remote Installation Support

  • Multiple rounds of technical discussions and video guidance
  • Technical assistance for electrical connections and end carriage adjustments
  • Real-time troubleshooting support through video conferencing
  • All three cranes completed installation without on-site engineers

5: Commissioning and Verification

  • System testing and load testing completed for each crane
  • Operating and maintenance manuals delivered
European Overhead Crane Delivery

Project Results

Performance Outcomes

  • Successfully assembled and commissioned all 3 crane systems without on-site engineers
  • Premium Schneider and Omron components ensured reliable performance
  • Technical drawings enabled precise independent girder manufacturing

Customer Satisfaction

Product Quality:

  • Premium component quality exceeded expectations
  • Schneider electrical components delivered exceptional reliability
  • Low noise European design met workplace requirements

Technical Support:

  • Complete and accurate technical documentation received
  • Remote installation support was effective and responsive
  • Fast and professional technical response time

Operational Benefits

  • Independent main beam manufacturing capability established
  • Reduced dependency on external suppliers for complete cranes
  • Cost reduction through in-house girder fabrication
  • Enhanced control over production timelines and quality

Business Impact

  • Crane kit solution reduced total procurement costs
  • Remote installation eliminated expensive on-site engineering fees
  • Enhanced product offering with European-style cranes

Service Advantages

1. Strong Technical Support

From drawing design to installation troubleshooting, fast and professional technical support enabled independent installation.

2. Efficient Communication

Clear technical confirmations, shipment coordination, and installation guidance ensured a smooth project process.

3. Flexible Solution

The crane kit solution provided only key components rather than complete cranes, helping reduce procurement costs.

Overhead Crane Motor

Product Advantages

  • Stable performance and smooth operation
  • Low noise European design
  • Compact hoist structure and easy maintenance
  • High compatibility between end carriages and electrical systems
  • Good installation tolerance and easy alignment

TO TOP

+8619037303917

[email protected]

0086-373-5968887